021-39598410
SKF6209-Z
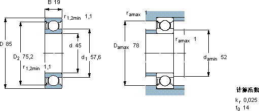
  • 型号:6209-Z
  • 旧型号:- -
  • 厚度(B):19
  • 品牌:瑞典SKF轴承
  • 内径(d):45
  • 额定转速:--
  • 系列:
  • 外径(D):85
  • 极限转速:--
  • 静负荷:--
  • 动负荷:--
  • 备注:--

产品咨询

021-39598410

产品详情


Copyright © 2022上海瑞孚通精密轴承有限公司
在线客服
微信客服
服务热线

电话:021-39598410

张女士:13585837217

张女士:17807560799

谢女士:17807560899

艳女士:13917547889

赵先生:15821056186